WHT渦輪蝸桿減速機
作者:漢頓傳動設備(山東)有限公司
來源:
時間:2019-05-10

WHT渦輪蝸桿減速機,符合部頒標準JB2318-79,達到標準化、系列化的要求。適用于冶金、礦山、起重、運輸、化工、建筑等各種機械設備的減速傳動。本系列
減速機輸入功率范圍在0.4-163KW之間;輸入扭矩在11-2600kgf·m之間,輸入軸轉數一般不大于1500轉/分;高速軸可正反兩向運轉;工作環(huán)境溫度低于0℃時,起動前潤滑油必須加溫到0℃以上。
WHT系列圓弧圓柱蝸輪減速機型號說明及標記示例(JB2318—79)
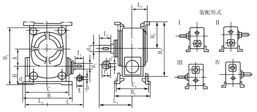
HT42、WHT65、WHT80、WHT100型圓弧圓柱蝸桿減速機I—IV式安裝型式及尺寸(JB2318—79)

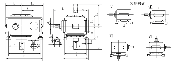
圓弧圓柱蝸桿減速機Ⅴ—Ⅷ式安裝型式及尺寸(JB2318—79)