TPA系列包絡蝸桿減速機
作者:漢頓傳動設備(山東)有限公司
來源:
時間:2019-05-10

TPA包絡減速機(JB/T9051-1991)為平面一次包絡蝸桿減速機傳動。中心距:100、125、160、200、250、315、400、500。速比:10、12.5、16、20、25、 31.5、40、50、60。平面環面包絡蝸桿減速機是一種新興的傳動裝置,其承載能力大,傳動效率高,結構緊湊、合理。這種蝸輪減速機可以廣泛地應用于各種傳動機械中的減速傳動,如冶金、礦產、起重、化工、建筑、橡塑、船舶等行業以及其它機械設備上,適用工作環境溫度為 -40℃~+40℃,輸入軸轉速不大于1500轉/分,蝸桿軸可正反兩方向旋轉。此減速機是按照中華人民共和國機械行業標準JB/T9051——1999 《平面包絡環面蝸桿減速機》設計制造。
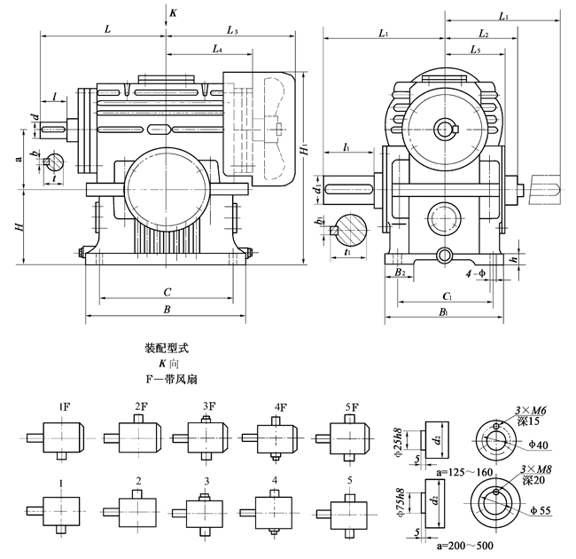
型號與標記示例
1 型號
2標記示例
例 蝸桿在蝸輪之下, 中心距為200mm, 公稱傳動比為10, 第二種裝配型式, 有風扇冷卻的平面
包絡環面蝸桿減速器: 減速器 TPU200 - 10 - 2F JB/T 9051—1999
中心距a (mm)
|
型號 |
中心距a |
|
TPG |
第一系列 |
80 |
100 |
— |
— |
— |
— |
— |
— |
— |
— |
— |
— |
— |
|
第二系列 |
— |
— |
— |
— |
— |
— |
— |
— |
— |
— |
— |
— |
— |
|
TPU |
第一系列 |
125 |
— |
160 |
— |
200 |
— |
250 |
— |
315 |
— |
400 |
— |
500 |
|
第二系列 |
— |
140 |
— |
180 |
— |
224 |
— |
280 |
— |
355 |
— |
450 |
— |
|
TPS |
第一系列 |
125 |
— |
160 |
— |
200 |
— |
250 |
— |
315 |
— |
400 |
— |
500 |
|
第二系列 |
— |
140 |
— |
180 |
— |
224 |
— |
280 |
— |
355 |
— |
450 |
— |
|
TPA |
第一系列 |
125 |
— |
160 |
— |
200 |
— |
250 |
— |
315 |
— |
400 |
— |
500 |
|
第二系列 |
— |
140 |
— |
180 |
— |
224 |
— |
280 |
— |
355 |
— |
450 |
— |
注:優先選用第一系列,表中第二系列的中心距僅提出型式規格。
減速器的公稱傳動比i
|
型 號 |
TPG TPU TPS TPA |
|
公稱傳動比i |
10 |
12.5 |
16 |
20 |
25 |
31.5 |
40 |
50 |
63 |
TPA環面包絡減速機蝸桿螺旋線方向為右旋
